03 Ene ¿Quién Inventó el Primer Sistema de CCTV?
El avance de la tecnología continúa haciendo posible lo imposible. Piense en los sistemas de seguridad del hogar, por ejemplo. Hoy en día, estos dispositivos nos permiten controlar nuestras casas desde miles de kilómetros de distancia utilizando dispositivos electrónicos portátiles, como teléfonos celulares y computadoras portátiles. Si se produce una alteración en el hogar, aparece una notificación en nuestros mensajes de texto. Antes de la modernización del sistema de seguridad para el hogar, primero tuvo que inventarse.
¿Quién inventó el sistema de seguridad para el hogar?
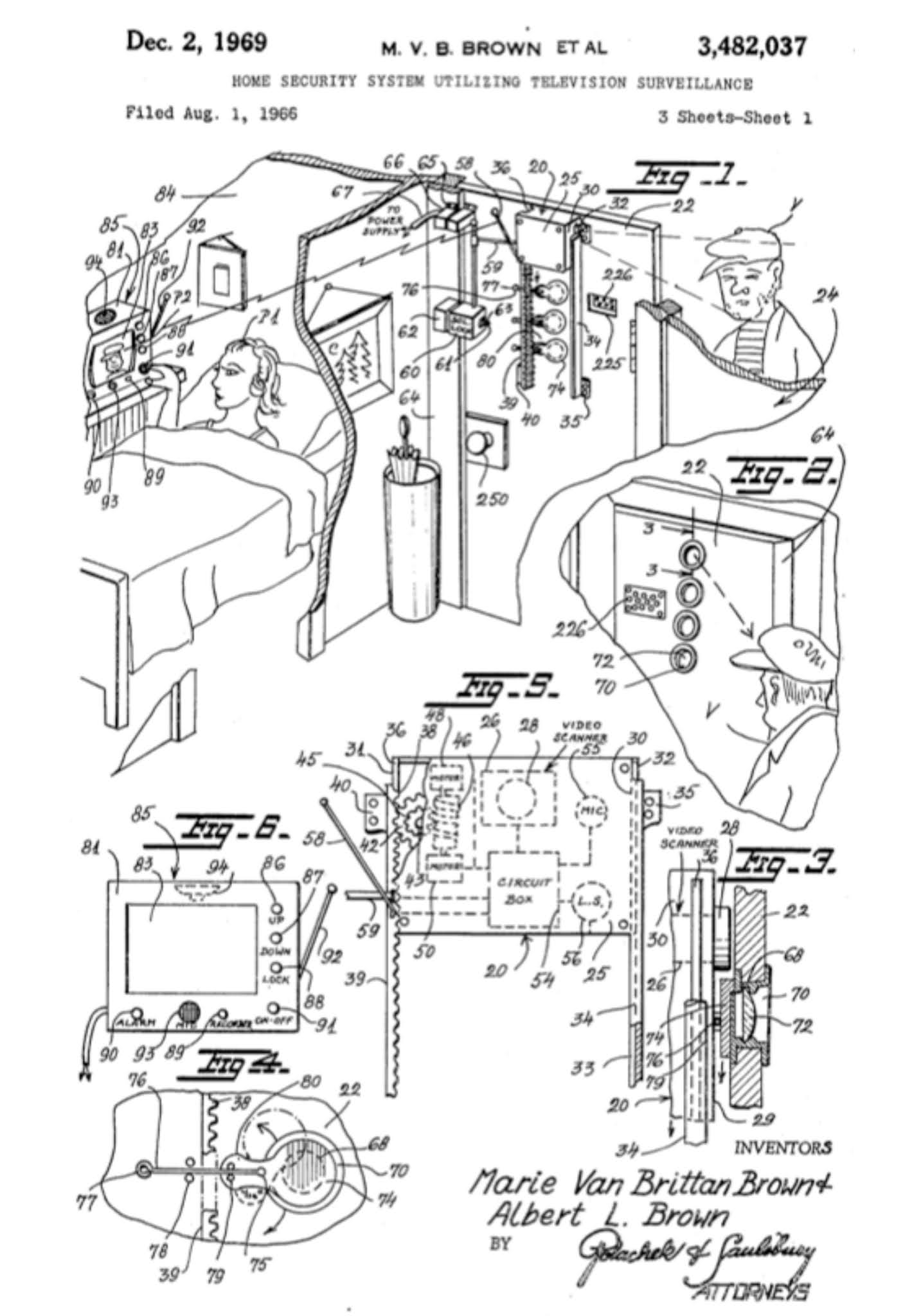
Marie Van Brittan Brown nació en Jamaica, Queens, New York, el 30 de octubre de 1922. Fue una enfermera e innovadora estadounidense que inventó un sistema de vigilancia doméstico que incluía un circuito cerrado de televisión que registró en 1966 junto a su marido Albert Brown, con el número de patente 3,482,037. La patente fue concedida en 1969.
En la década de 1960, Marie Van Brittan Brown vivía con sus dos hijos y su esposo, Albert L. Brown, un técnico en electrónica, en Jamaica, Queens, Nueva York. Era una enfermera que trabajaba en horas extrañas y largas, lo que hacía que volviera a casa con frecuencia a altas horas de la noche. Ella quería sentirse más segura en su casa y deseaba instalar un sistema que le permitiera ver el exterior de su puerta desde cualquier lugar de la casa. ¿El problema? Todavía no existía un sistema de este tipo. Con una solución en mente, comenzó a pensar en cómo podría hacer realidad su idea.
Marie trabajó con su esposo durante la duración de este proyecto, y juntos presentaron una patente para el primer sistema de seguridad del hogar en 1966. La patente decía: “El sistema incluye un dispositivo de escaneo de video en la puerta de entrada de la casa para escanear a un visitante fuera de la puerta, e incluye equipo de intercomunicación de audio dentro y fuera de la puerta para conversar con el [visitante] fuera de la puerta”.
El aparato también incluía una alarma que podría usarse para alertar a las autoridades de inmediato y una cerradura controlada por radio, que podría usarse para desbloquear la puerta de la casa. Todas las funciones del sistema fueron diseñadas para estar bajo el control del propietario.
El sistema de los Brown tenía un conjunto de cuatro objetivos y una cámara que podía subir y bajar para mirar por cada uno de ellos. Cualquier cosa que la cámara filmase aparecería en un monitor. Además, el residente podría abrir la puerta por control remoto. Aunque el sistema fue diseñado para uso doméstico, muchos negocios comenzaron a utilizarlo por su efectividad. Por su invención recibió un premio del National Science Committee.
El sistema incluía un dispositivo que permitía al residente usar el televisor para ver a la persona que estuviera frente a su puerta y escuchar su voz. Marie dijo que la inspiración para crear el sistema fue la gran demora de la policía para llegar tras la llamada de los residentes.
![]() |
| Imagen de patente del diseño del sistema de seguridad para el hogar de los Brown. Fuente: Patentes y Marcas, www.uspto.gov. |
Al diseñar este sistema de seguridad de circuito cerrado, la pareja se inspiró en la tecnología de televisión de circuito cerrado existente que se utiliza principalmente en la vigilancia militar . Su patente fue concedida dentro de los tres años de su presentación, el 2 de diciembre de 1969.
El legado duradero de Marie Van Brittan Brown
Hoy en día, el mercado de la seguridad para el hogar es una industria multimillonaria que continúa creciendo cada año. Para 2025, se prevé que este mercado supere los 78,9 mil millones de dólares, según un comunicado de prensa de MarketsandMarkets. Sin embargo, los Browns no patentaron el diseño con el objetivo de obtener beneficios económicos; de hecho, los informes muestran que no buscaron oportunidades comerciales para su trabajo pionero.
![]() |
| Imagen de una cámara de seguridad moderna |
A lo largo de los años, el aparato de los Brown, ha inspirado a muchos otros inventores, incluido un inventor que patentó el diseño de un conjunto de vigilancia en 2013.
Al crear un sistema que la hizo sentir más segura en su propio hogar, Marie estableció simultáneamente una base para el futuro de toda la tecnología de seguridad para el hogar.
Marie Van Brittan Brown, fallece en Jamaica, Queens, New York el 2 de febrero de 1999 a los 76 años de edad.
Fuente: Wikipedia.


No Comments